
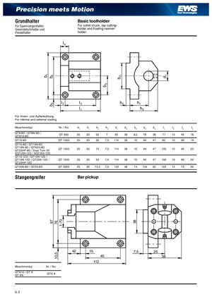
b b"b!97 7610,5 1-70 b# b 38 d Precision meets Motion Grundhalter Basic toolholder Für Spannzangenhalter, For collet chuck, tap cutting- Gewindebohrhalter und holder and floating reamer- Pendelhalter holder l" l l! h! h l h Für Innen- und Außenkühlung For internal and external cooling Maschinentyp Nr. / No. d1 h1 h2 h3 b1 b2 b3 b4 b5 l1 l2 l3 l4 QT8-8D / QT8N-8D /QTN10-8D QT 800 25 25 52 7 95 38 9,5 76 36 71 15 45 16 QT10-8D QT 1000 25 25 50 7,5 114 38 10 94 47 82 10 60 16 QT15-8D / QT15N-8D QT18N-8D / QTN20-8DQT20HP-8D / Dual Turn 20QT 150025 50 75 7,5 114 38 10 94 47 100 10 60 20 SQT200-12D / SQT250-12D QT15-12D / QT15N-12D / QT18N-12D / QT20N-12D / QT 1540 25 25 53 7,5 114 38 10 94 47 100 10 60 20 QT20HP-12D QT20N-8D / QT25-8D QT 2000 25 35 72,5 7,5 132 48 14 104 52 103 14 72 20 Stangengreifer Bar pickup 42 15 7,5 25 45 58 112 Maschinentyp Nr. / No. QTN10 / QT 8QT 8N QTG 8 6. 2