
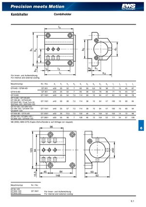
b125 b"b!9415,5 b# b ø50 d Precision meets Motion Kombihalter Combiholder l" l l! h! h l h Für Innen- und Außenkühlung For internal and external cooling Maschinentyp Nr. / No. d1 h1 h2 h3 b1 b2 b3 b4 b5 l1 l2 l3 l4 QT8-8D / QT8N-8D QT 801 ø30 25 52 7 95 38 9,5 76 36 71 15 45 67 QTN10-8D QT 821 ø25 25 52 7 95 38 9,5 76 36 71 15 45 67 QT10-8D QT 1001 ø40 25 54 7,5 114 38 10 94 47 82 10 60 78 QT15-8D / QT15N-8D QT18N-8D / QTN20-8DQT20HP-8D / Dual Turn 20QT 1501ø40 50 80 7,5 114 38 10 94 47 100 10 60 95 SQT200-12D / SQT250-12D QT15-12D / QT15N-12D QT18N-12D / QT20N-12D QT 1541 ø40 25 57 7,5 114 38 10 94 47 100 10 60 94 QT20HP-12D QT20N-8D / QT25-8D QT 2001 ø50 35 72,5 7,5 132 48 14 104 52 103 14 72 98 QT28-12D / QT28N-12D /QT30N-12D / QTN30-12DQT 2801ø50 55 90 7 128 48 12 104 52 111 34 57 106 Mit (With) ABS-/UTS-/Capto-/Zoll-ø/Sonder-ø auf Anfrage (on request). 96 6 45 84 50 148 92 Maschinentyp Nr. / No. QT35-12D QT35N-12D QT 3501 Für Innen- und Außenkühlung QTN40-12D For internal and external cooling 6. 1