
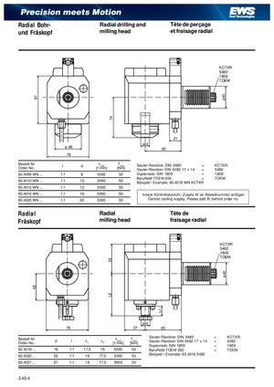
8748 7453L2 L1 ø40ø40 Precision meets Motion Radial Bohr- Radial drilling and Tête de perçage und Fräskopf milling head et fraisage radial KCTXR 5482 1809 TOEM 21 ød ø 48 65 76 Bestell NrOrder No. i d nmax Tmax Sauter-Revolver DIN 5480 = KCTXR[1/min][Nm]Sauter-Revolver DIN 5482 17 x 14=5482 60.4008 WN ... 1:1 8 5000 50 Duplomatic DIN 1809 = 1809 60.4010 WN ... 1:1 10 5000 50 Baruffaldi TOEM 200 = TOEMBeispiel / Example: 60.4016 WN KCTXR 60.4012 WN ... 1:1 12 5000 50 60.4016 WN ... 1:1 16 5000 50 Innere Kühlmittelzufuhr; Zusatz IK an Bestellnummer anfügen 60.4020 WN ... 1:1 20 5000 50 Central cooling supply; Please add IK behind order no. Radial Radial Tête de Fräskopf milling head fraisage radial KCTXR 5482 1809 TOEM ød 76 37 65 Bestell NrOrder No. d i L1 L2 nmax Tmax[1/min][Nm]Sauter-Revolver DIN 5480 =Sauter-Revolver DIN 5482 17 x 14=KCTXR5482 Duplomatic DIN 1809 = 1809 62 4016 ... 16 1:1 17,5 76 5000 50 Baruffaldi TOEM 200 = TOEM 62.4022 ... 22 1:1 19 77,5 5000 50 Beispiel / Example: 62.4016 5482 62.4027 ... 27 1:1 19 77,5 9000 25 3.40.4