
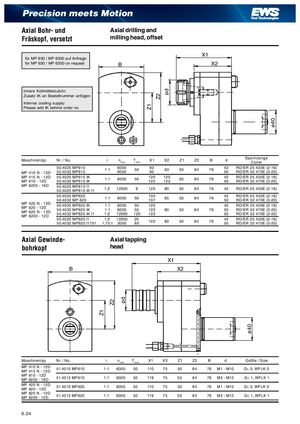
Z1 Z2 ød Z1 Z2 ød ø40 ø40 Precision meets Motion Axial Bohr- und Axial drilling and Fräskopf, versetzt milling head, offset X1 für MP 630 / MP 6300 auf Anfrage for MP 630 / MP 6300 on request B X2 Innere Kühlmittelzufuhr: Zusatz IK an Bestellnummer anfügen Internal cooling supply: Please add IK behind order no. Maschinentyp Nr. / No. i nmax Tmax X1 X2 Z1 Z2 B d SpannzangeCollet 50.4025 MP610MP 410 N - 12D50.4032 MP6101:160006000509395 63 50 84 76 42 RD/ER 25 430E (2-16)50RD/ER 32 470E (3-20) MP 415 N - 12D 50.4025 MP610 IKMP 610 - 12D50.4032 MP610 IK1:1600050120 12012212250 84 76 42 RD/ER 25 430E (2-16)50RD/ER 32 470E (3-20) MP 6200 - 16D 50.4025 MP610 I150.5025 MP610 IK I11:212000 8 120 80 50 84 76 42 RD/ER 25 430E (2-16) 50.4025 MP62050.4032 MP 6201:1 6000 50 104107 65 50 84 76 42 RD/ER 25 430E (2-16)50RD/ER 32 470E (3-20) MP 420 N - 12DMP 620 - 12DMP 620 N - 12DMP 6200 - 12D50.4025 MP620 IK50.4032 MP620 IK50.4032 MP620 IK I11:16000501201:1600050122801:21200012012250847642RD/ER 25 430E (2-16)50RD/ER 32 470E (3-20)50RD/ER 32 470E (3-20) 50.4025 MP620 I1 1:2 12000 2550.4032 MP620 I17511,75:130006012280508476 42 RD/ER 25 430E (2-16)50RD/ER 32 470E (3-20) Axial Gewinde- Axial tapping bohrkopf head X1 B X2 Maschinentyp Nr. / No. i nmax Tmax X1 X2 Z1 Z2 B d Größe / Size MP 410 N - 12DMP 415 N - 12D51.4010 MP610 1:1 6000 50 110 75 50 84 76 M1 - M10 Gr. 0, WFLK 0 MP 610 - 12DMP 6200 - 16D51.4012 MP610 1:1 6000 50 119 75 50 84 76 M3 - M12 Gr. 1, WFLK 1 MP 420 N - 12DMP 620 - 12D51.4010 MP620 1:1 6000 50 110 75 50 84 76 M1 - M10 Gr. 0, WFLK 0 MP 620 N - 12DMP 6200 - 12D51.4012 MP620 1:1 6000 50 119 75 50 84 76 M3 - M12 Gr. 1, WFLK 1 6. 24