
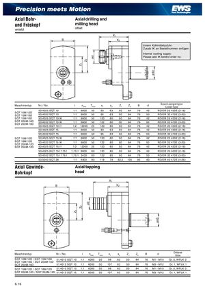
Z ZZ Z ød ød ø40 ø40 Precision meets Motion Axial Bohr- Axial drilling and und Fräskopf milling head versetzt offset X B X Innere Kühlmittelzufuhr: Zusatz IK an Bestellnummer anfügen Internal cooling supply: Please add IK behind order no. Maschinentyp Nr. / No. i nmax Tmax x1 x2 Z1 Z2 B d SpannzangentypeCollet type 50.4025 SQT 10 1:1 6000 50 93 63 50 84 76 42 RD/ER 25 430E (2-16) SQT 10M-12DSQT 15M-16D50.4032 SQT 10 1:1 6000 50 95 63 50 84 76 50 RD/ER 32 470E (3-20) SQT 15M-16D 50.4025 SQT 10 IK 1:1 6000 50 120 80 50 84 76 42 RD/ER 25 430E (2-16) SQT 200M-16DSQT 250M-16D50.4032 SQT 10 IK 1:1 6000 50 122 80 50 84 76 50 RD/ER 32 470E (3-20) 50.4025 SQT 10 I1 1:2 12000 25 120 80 50 84 76 42 RD/ER 25 430E (2-16) 50.4025 SQT 15 1:1 6000 50 93 63 50 84 76 42 RD/ER 25 430E (2-16) 50.4032 SQT 15 1:1 6000 50 95 63 50 84 76 50 RD/ER 32 470E (3-20) SQT 15M-12D 50.4025 SQT 15 IK 1:1 6000 50 120 80 50 84 76 42 RD/ER 25 430E (2-16) SQT 18M-12DSQT 200M-12D50.4032 SQT 15 IK 1:1 6000 50 122 80 50 84 76 50 RD/ER 32 470E (3-20) SQT 250M-12D 50.4025 SQT 15 I1 1:2 12000 25 120 80 50 84 76 42 RD/ER 25 430E (2-16) 50.4025 SQT 15 I 1751 1,75:1 6000 60 120 80 50 84 76 42 RD/ER 25 430E (2-16) 50.4032 SQT 15 I 1751 1,75:1 3430 60 122 80 50 84 76 50 RD/ER 32 470E (3-20) 50.5040 SQT 28 1:1 4000 80 119 79 62,5 105 95 63 RD/ER 40 472E (4-26) Axial Gewinde- Axial tapping Bohrkopf head X B X Maschinentyp Nr. / No. i nmax Tmax x1 x2 Z1 Z2 B d GrösseSize SQT 10M-12D / SQT 15M-16D 51.4010 SQT 10 1:1 6000 50 98 63 50 84 76 M1 - M10 Gr. 0, WFLK 0 SQT 15M-16D / SQT 200M-16D SQT 250M-16D 51.4012 SQT 10 1:1 6000 50 107 63 50 84 76 M3 - M12 Gr. 1, WFLK 1 SQT 15M-12D / SQT 18M-12D 51.4010 SQT 15 1:1 6000 50 98 63 50 84 76 M1 - M10 Gr. 0, WFLK 0 SQT 200M-12D / SQT 250M-12D 51.4012 SQT 15 1:1 6000 50 107 63 50 84 76 M3 - M12 Gr. 1, WFLK 1 6. 16