
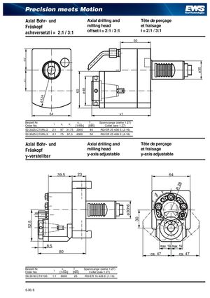
35z1 52,5 ø124 60 ø48 ø30h6 30 R 28 ø30 Precision meets Motion Axial Bohr- und Axial drilling and Tête de perçage Fräskopf milling head et fraisage achsversetzt i = 2:1 / 3:1 offset i = 2:1 / 3:1 i = 2:1 / 3:1 50 64 x1 Bestell Nr.Order No. i x1 z1 nmax[1/min]Tmax[Nm]Spannzange (siehe 1.27)Collet (see 1.27) 50.3025 CTXRL/2 2:1 97 31,75 3000 40 RD/ER 25 430 E (2-16) 50.3025 CTXRL/3 3:1 75 67,3 2000 50 RD/ER 25 430 E (2-16) Axial Bohr- und Axial drilling and Tête de perçage Fräskopf milling head et fraisage y-verstellbar y-axis adjustable y-axis adjustable 39,5 23 64 8,5 80 ca. 47 ca. 47 Bestell Nr.Order No. i nmax Tmax[1/min][Nm]Spannzange (siehe 1.27)Collet (see 1.27) 56.3016 CTXY30 1:1 6000 25 RD/ER 16 426 E (1-10) 5.30. 6