
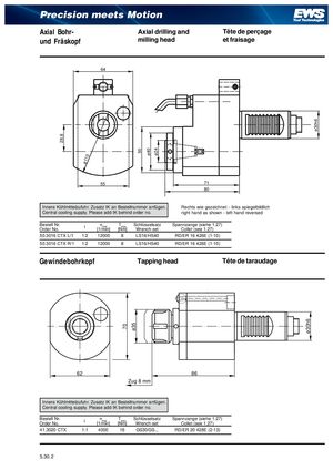
28,8 ø110 70 ø35 50 ø40 ø24 ø30h6 ø30h6 Precision meets Motion Axial Bohr- Axial drilling and Tête de perçage und Fräskopf milling head et fraisage 64 55 71 80 Innere Kühlmittelzufuhr. Zusatz IK an Bestellnummer anfügen. Rechts wie gezeichnet - links spiegelbildlich Central cooling supply. Please add IK behind order no. right hand as shown - left hand reversed Bestell Nr.Order No. i nmax Tmax Schlüsselsatz[1/min][Nm]Wrench-setSpannzange (siehe 1.27)Collet (see 1.27) 50.3016 CTX L/1 1:2 12000 8 LS16/HS40 RD/ER 16 426E (1-10) 50.3016 CTX R/1 1:2 12000 8 LS16/HS40 RD/ER 16 426E (1-10) Gewindebohrkopf Tapping head Tête de taraudage 62 86 Zug 8 mm Innere Kühlmittelzufuhr. Zusatz IK an Bestellnummer anfügen. Central cooling supply. Please add IK behind order no. Bestell Nr.Order No. i nmax Tmax Schlüsselsatz[1/min][Nm]Wrench-setSpannzange (siehe 1.27)Collet (see 1.27) 41.3020 CTX 1:1 4000 16 GS30/GS... RD/ER 20 428E (2-13) 5.30. 2