
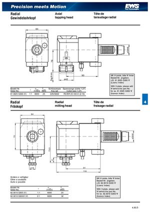
70 73,5 7617 ø30h6 ø30h6 Precision meets Motion Radial Axial Tête de Gewindebohrkopf tapping head taraudage radial 64 90 Mit V-Leiste, bitte V hinter ø42 Bestell-Nr. angeben,z.B. 61.3025 G300 V (Lizenz Index) With V-plate, please add Bestell Nr.Order No. i [1n/mmaixn] [TNmmax] Schlüsselsatz Spannzange (siehe 1.27)Key-setCollet (see 1.27) V behind the part No.for ex. 61.3025 G300 V 61.3025 G300 (V) 1:1 6000 25 225/GS22 RD/ER 25 430 E (2-16) (licence Index) Radial Radial Tête de 4 Fräskopf milling head fraisage radial 64 ø16 91 116 Andere ø verfügbarOther ø availableAutre ø possible Mit V-Leiste, bitte V hinterBestell-Nr. angeben,z.B. 62.3016 G300 V (Lizenz Index) Bestell Nr.Order No. i [1n/mmaixn] [TNmmax] With V-plate, please add 62.3016 G300 (V) 1:1 6000 25 V behind the part No.for ex. 62.3016 G300 V 62.3016 G300/2 (V) 2:1 6000 32 (licence Index) 4.90.5