
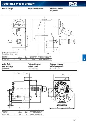
115 30 64 52,5 32,5 30 R28 ø25h6 Precision meets Motion Querfräskopf Angle milling head Tête de fraisage angulaire 68 30 75 Für Maschinen ohne Y-Achse For machines without Y-axis 109 Bestell Nr.Order No. i nmax Tmax Schlüsselsatz Spannzange (siehe 1.27)[1/min][Nm]Wrench-setCollet (see 1.27) 65.2520 ABC 2:1 6000 32 LS20/ RD/ER 20 428E (1-13) 4 Axial Bohr- Axial drilling and Tête de perçage und Fräskopf milling head et fraisage axial y-verstellbar y-axis adjustable y-axis adjustable 39,5 21 64 8,5 78 ca. 47 ca. 47 Bestell Nr.Order No. i nmax Tmax Spannzange (siehe 1.27)[1/min][Nm]Collet (see 1.27) 56.2516 ABC 1:1 6000 16 RD/ER 16 426E (1-10) 4.79.7