
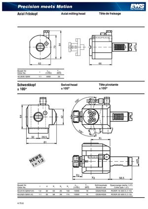
64 70 84 42 ø25 ø25 Precision meets Motion Axial Fräskopf Axial milling head Tête de fraisage 62 66 Bestell NrOrder No. i [1n/mmaixn] [TNmmax] 42.2500 G200 1:1 5000 25 Schwenkkopf Swivel head Tête pivotante ± 105° ± 105° ± 105° 105° 105° 32 28,5 X1 81 N iE=W1S: 2 X2 X3 58,5 Bestell NrOrder No. i d X1 X2 X3 nmax[1/min] Tmax[Nm] Schlüsselsatz Spannzange (siehe 1.27)Wrench-setCollet (see 1.27) 63.2516 G200/1(V) 1:2 32 53 25 102 10000 18 GS25/HS25 RD/ER 16 426 E (1-10) 63.2520 G200 (V) 1:1 35 58 26 115 10000 16 GS30/HS35 RD/ER 20 428 E (1-13) 4.70.6