
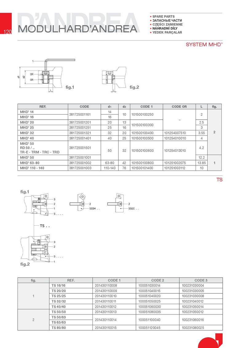
• SPARE PARTS • ЗАПАСНЫЕ ЧАСТИ MODULHARD’ANDREA • CZ}¤CI ZAMIENNE 120 • NÁHRADN D LY • YEDE. PARqALAR SYSTEM MHD’ fig.1 fig.2 REF. CODE d1 d2 CODE 1 CODE OR L ðg. MHD’ 14 381725001161 14 10 101500100250 2 MHD’ 16 16 t MHD’ 20 381725001201 20 13 101500100300 2.5 MHD’ 25 381725001251 25 16 3 MHD’ 32 381725001321 32 20 101500100400 101254007510 3.55 2 MHD’ 40 381725001401 40 25 101500100500 101254010010 4 MHD’ 50 RD 50 / .. 381725001501 50 32 101500100600 101254013010 4.2 TR-E - TRM - TRC - TRD MHD’ 50 381725001001 12.2 MHD’ 63-80 381725001002 63-80 42 101500100800 101251002075 13.85 1 MHD’ 110 - 140 381725001003 110-140 76 101500101400 101251003112 10 TS fig.1 fig.2 fig. REF. CODE 1 CODE 2 CODE 3 TS 16/16 201430110008 100051030014 100231030004 TS 20/20 201430110009 100051040015 100231030005 1 TS 25/25 201430110010 100051040020 100231030008 TS 32/32 201430110011 100051050025 100231040012 TS 40/40 201430110012 100051060030 100231050014 TS 50/50 201430110013 100051080035 100231050012 2 TS 50/63 201430110014 100051100040 100231060016 TS 63/63 TS 80/80 201430110015 100051120045 100231080025